C Series
EMI / RFI Filters
IEC-320 C14 INLET LINE FILTERS
1-20 AMP PANEL MOUNT PACKAGE
Specifications
| Voltage rating: | 115/250 VAC |
| Line frequency: | 50/60 Hz |
| Leakage current (line to ground): | 0.25 mA maximum at 115 V, 60 Hz 0.50 mA maximum at 250 V, 50 Hz |
| Test Voltage: | Line to ground, 2250 VDC Line to line, 1450 VDC |
Applications
The C series General Performance connector filters offer attenuation of both common and differential noise. The l, 3, 6, 10 and 20 ampere filters utilize IEC-320 C14 power connectors and provide protection from line-to-line and line-to ground interference.
These filters are designed for a wide variety of filtering applications. They offer protection from line-to-line and line-to- ground interference.
Certifications
UL File No. E62459, CSA File No. LR56661, TUV File No. R72170756.
Approvals are pending for 10 & 20 Amp Models.
How To Define A Part Number
| Series | Case Style | - | Current Rating |
|---|---|---|---|
| C | A | - | 1 |
Electrical Schematics
Performance
| Current Rating | Frequency, MHz | |||||||
|---|---|---|---|---|---|---|---|---|
| Common Mode | 0.15 | 0.2 | 0.5 | 1 | 5 | 10 | 20 | 30 |
| 1A | 22 | 28 | 35 | 40 | 46 | 50 | 50 | 50 (db) |
| 3A | 15 | 20 | 25 | 30 | 45 | 50 | 55 | 55 (db) |
| 6A | 9 | 14 | 20 | 25 | 41 | 45 | 50 | 50 (db) |
| 10A | 10 | 12 | 18 | 23 | 42 | 40 | 40 | 45 (db) |
| 20A | 5 | 8 | 13 | 15 | 23 | 28 | 35 | 43 (db) |
| Differential Mode | ||||||||
| 1A | 0 | 0 | 1 | 4 | 33 | 37 | 37 | 36 (db) |
| 3A | 0 | 0 | 1 | 3 | 33 | 37 | 37 | 36 (db) |
| 6A | 0 | 0 | 0 | 1 | 25 | 35 | 35 | 34 (db) |
| 10A | 0 | 0 | 2 | 5 | 35 | 50 | 40 | 36 (db) |
| 20A | 3 | 8 | 15 | 20 | 45 | 35 | 45 | 55 (db) |
Ordering Information
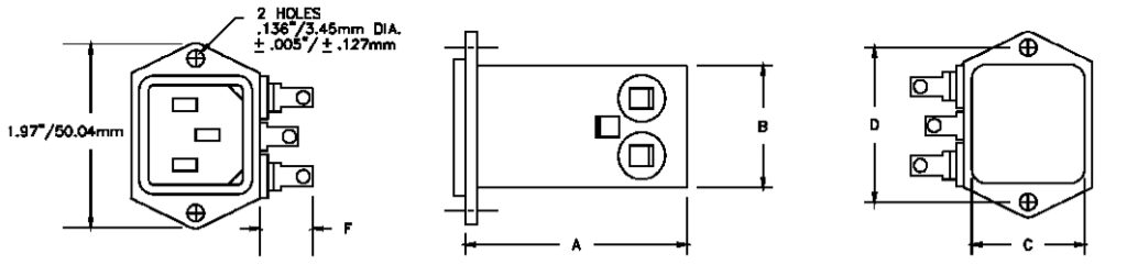
| Current Rating | Part Number | Dimensions (mm) | |||
|---|---|---|---|---|---|
| A | B | C | D | ||
| 1A | CA-1 | 39.37 | 29.72 | 20.57 | 40.00 |
| CB-1 | 39.37 | 29.72 | 20.57 | 40.00 | |
| 3A | CA-3 | 39.37 | 29.72 | 20.57 | 40.00 |
| CB-3 | 39.37 | 29.72 | 20.57 | 40.00 | |
| 6A | CA-6 | 39.37 | 29.72 | 20.57 | 40.00 |
| CB-6 | 39.37 | 29.72 | 20.57 | 40.00 | |
| 10A | CA-10 | 50.8 | 29.72 | 20.57 | 39.88 |
| CB-10 | 50.8 | 29.72 | 20.57 | 39.88 | |
| 20A | CA-20 | 101.6 | 35.56 | 27.94 | 41.91 |
For small solder lug terminations add suffix “L”; e.g. CA-1L. For 4.25” Wire Leads, add the suffix “W”; e.g. CA-1W Contact the factory for other wire lengths or terminations.
Case Styles
Case Style A
Case Style B
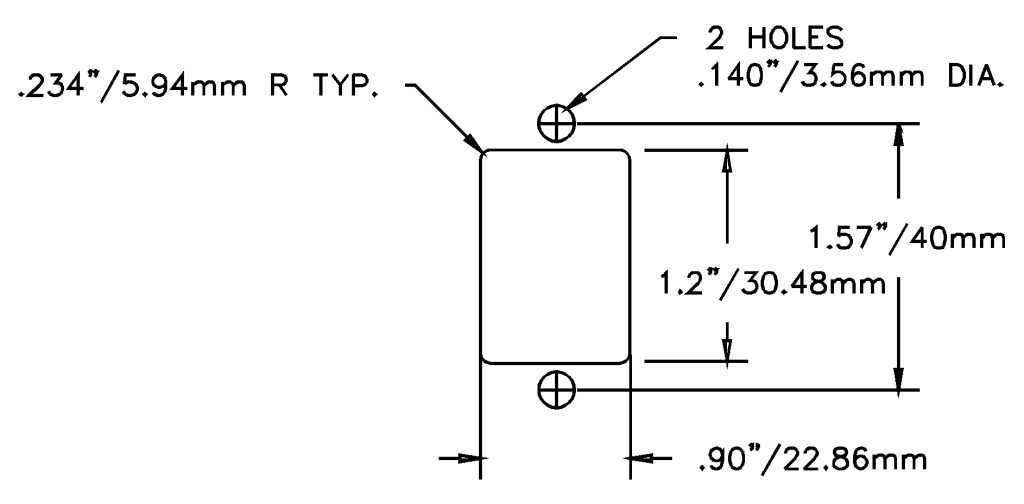
Panel Cut-Out (Front Mounting)
Panel Cut-Out (Back Mounting)
Specifications subject to change.
